Điều chỉnh động học máy 525

Điều chỉnh động học máy 525

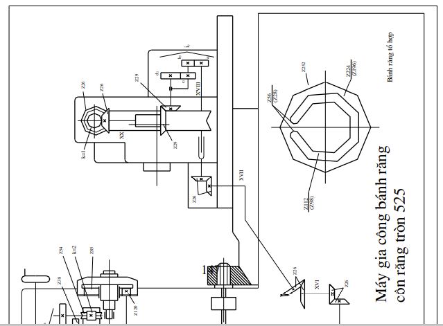
Máy 525 do Liên Xô chế tạo, là máy phay bánh răng côn răng cong, dạng cung tròn theo phương pháp bao hình, bán tự động. Máy có khả năng gia công bánh răng côn có mmax=12 ; Dmax= 500. Máy sử dụng dao phay chuyên dùng có profine răng dao dạng thanh răng sinh. Phay bánh răng côn trên cơ sở nhắc lại quá trình ăn khớp của bánh răng côn dẹt đỉnh với bánh răng côn. Sơ đồ động (Hình 4.19) mô tả các truyền dẫn chuyển động của máy 525. Dựa vào sơ đồ động của máy hướng dẫn điều chỉnh động học theo các trình bày dưới đây.

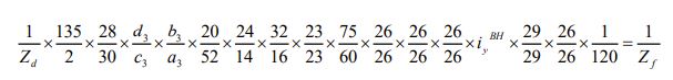
Điều chỉnh xích truyền dẫn chuyển động chính: chuyển động quay của dao đuợc dẫn động từ động cơ (N=4,5 kw; n=2900 vòng/phút) theo phương trình điều chỉnh động học:

Chọn bánh răng thay thế chạc điều chỉnh tốc độ theo:

 

Hình 4.19. Sơ đồ động máy 525

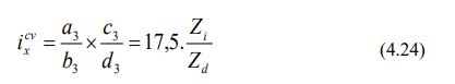
Điều chỉnh xích chạy dao công tác : Điều chỉnh xích chạy dao công tác theo thời gian bao hình(tct), trong thời gian này trục Cam K thực hiện góc quay:
a = 160o = 4/9(vòng) để điều khiển quá trình bao hình. Phương trình điều chỉnh động học:

Chọn bánh răng thay thế   chạc điều  chỉnh tốc độ theo:

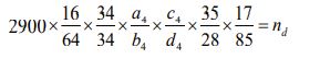
*Thời gian chạy không: Góc quay còn lại của cam (2000) tương ứng với thời gian chạy không (tck), dùng để điều khiển và thực hiện quay ngược chiều giá dao, tiến, lùi bàn máy. Kết thúc quá trình bao hình cam điều khiển li hợp đóng đường truyền chạy không. Vì vậy thời gian chạy không trong chu kỳ không đổi.

tck = 3 (giây) nếu sử dụng tỉ số truyền  Z 76/ Z 64

tck = 5 (giây) nếu sử dụng tỉ số truyền Z52/ Z88

Điều chỉnh xích phân độ: Trong gia công bánh răng côn, nếu bộ truyền có tỉ số truyền bé(i<1/10 ), biên dạng răng thân khai của bánh răng có góc côn lớn có độ cong rất bé. Vì vậy có thể gia công bánh răng góc côn lớn bằng phương pháp cắt vào(chép hình răng dao). Còn bánh răng góc côn bé được gia công theo phương pháp bao hình có cải biến biên dạng răng, bộ truyền đó được gọi là bộ truyền bán bao hình. Như vậy điều chỉnh xích phân độ theo theo phương pháp cắt vào ứng dụng cho gia công bánh răng có góc côn lớn trong bộ truyền bán bao hình và gia công thô. Điều chỉnh xích phân độ theo phương pháp bao hình gia công tinh bánh răng côn. Xích điều chỉnh động học điều chỉnh phân độ xác định từ bánh răng chủ động (Z=14) của cơ cấu đảo chiều bánh răng tổ hợp đến phôi bánh răng côn. Xác định số vòng quay của bánh răng Z14:

*Gia công theo phương pháp bao hình:

Chọn bánh răng  thay thế chạc điều chỉnh phân  độ theo:

*Gia công theo phương pháp cắt vào (chép hình):

Chọn bánh răng thay thế chạc điều chỉnh phân độ theo:

Điều chỉnh xích bao hình : Tính toán điều chỉnh xích bao hình xác định tương quan tỉ lệ chuyển động quay của giá dao với bàn máy các phương trình điều chỉnh theo phương pháp bao hình và phương pháp cắt vào:

*Gia công theo phương pháp bao hình :

Chọn bánh răng thay thế chạc điều chỉnh bao hình theo:

*Gia công theo phương pháp cắt vào (chép hình):

Chọn bánh răng thay thế chạc điều chỉnh bao hình theo:

 Điều chỉnh xích cải biến biên dạng răng: Gia công cải biến biên dạng răng cho bánh răng góc côn bé trong bộ truyền bánh răng côn bán bao hình. Và bộ truyền hypoid. Chuyển động quay từ trục vít dẫn động giá dao (k=2) qua bộ truyền bánh răng trụ (Z26;Z38)- chạc bao hình cải biến iM – bộ truyền trục vít bánh vít(k2;Z54) có chốt lệch tâm tác động làm trục vít tịnh tiến – bánh vít Z135 làm giá dao quay phụ (không đều) cải biến biên dạng răng. Hệ số ε (Độ lệch tâm) phụ thuộc vào hệ số cải biến biên dạng răng và được hướng dẫn trong hướng dẫn sử dụng máy.

Trả lời

Email của bạn sẽ không được hiển thị công khai. Các trường bắt buộc được đánh dấu *